Questions for the OMG OCSMP MBI300 were updated on : Nov 21 ,2025
Choose the correct answer.
An engineer is building a model of a system that includes both Low Earth Orbit (LEO) and
Geosynchronous Orbit (GEO) satellites.
Which diagram fragment shows a well-designed set of domain stereotypes that can be applied to the
blocks representing those system elements?
A)
B)
C)
D)
B
Choose the correct answer
Which diagram fragment validly depicts adding properties to a stereotype?
A)
B)
C)
D)
D
Choose the correct answer.
Which package diagram fragment depicts the definitions of the stereotypes Hardware and Software?
A)
B)
C)
D)
B
Choose the correct answer
What is the key distinction between a profile and a meta model?
B
Choose the correct answer.
Given the following package diagram depicting profile and model library relationships to a user
model.
The User Profile extends SysML with two new stereotypes of Block Hardware and Software.
Which bdd fragment is valid, yet does not contain unnecessary or redundant information?
A)
B)
C)
D)
E)
B
Choose the correct answer.
What are the possible values of the enumeration ControlValue?
B
Choose the correct answer.
Where can a StateInvariant appear?
A
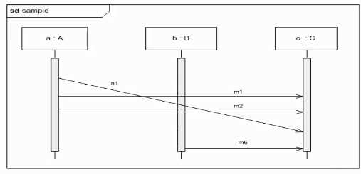
Choose the correct answer.
Given the following diagram:
What is the order of Interactions?
C
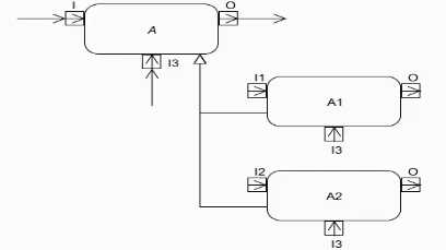
Choose the correct answer
A has three inputs I 1. I 2 and 13 and one output O, I1, I2. I3 and O are all of the same type A
requires I1 or I2 to execute but I1 and I2 are mutually exclusive. I3 must be present tor A to begin.
Which activity diagram fragment correctly shows A with its three inputs and one output?
A)
B)
C)
D)
E)
A
Choose the correct answer.
Block 1 has a value property 'a' part 1. typed by Block! sends the message Ml If a»0; otherwise it
sends message M2.
Which diagram depicts this scenario?
A)
B)
C)
D)
A
Choose the correct answer.
Which option correctly describes the effect of an object flowing into and out of a data store?
A)
B)
C)
D)
B
Choose the correct answer.
Given the following state machine fragment.
if it starts in F-State and then the event evB is received, what is the subsequent state?
B
Choose the correct answer.
The formula for the determinant of a square 2X2 matrix.
|ab|
|cd|
is a'd-b'c A subsystem receives one message for each value (i e. a(v) b(v). c(v) and d(v) where v is a
real number) These messages can be in any order, and the ensure sequence is followed by an "end"
message. The subsystem must calculate the determinant and output it upon receipt of the end
message If there are multiple messages for one value (e g . two a(v) messages), or the end message
is received before all values have been received, the subsystem should signal an error.
Which state machine correctly models the required behavior? If more than one slate machine is
correct, select the one with the fewest slates.
A)
B)
C)
D)
B
Choose the correct answer
What is an efficient way to represent highly reused patterns of interaction on sequence diagrams?
B
Choose the correct answer
Which SysML construct is used to represent a connection point to an interaction when It is being
used by another interaction?
C